|
 |
Среда, 04.03.2026, 06:31 |
| СТУДВОРКПРО100 | 

 |
| Приветствую Вас Гость | RSS |
|
|
Кондуктор пневматический И26.12.00.00 ЧЕРТЕЖ
| |
| lepris | Дата: Пятница, 14.03.2025, 08:01 | Сообщение # 1 |
 Генералиссимус
Группа: Администраторы
Сообщений: 3577
Статус: Offline
| Кондуктор пневматический И26.12.00.00 ЧЕРТЕЖ
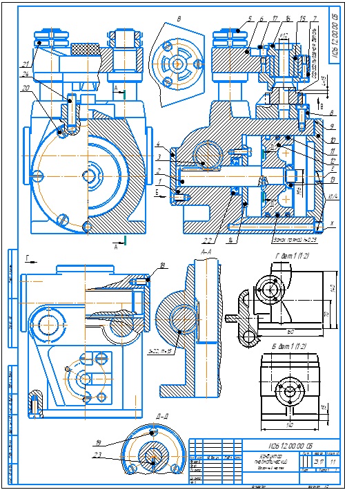
 Пневматический кондуктор служит для закрепления детали при сверлении и направления инструмента. Деталь устанавливают на подушку 8. Для закрепления детали к отверстию Е в крышке 10 подводят сжатый воздух под давлением. Поршень 12 под давлением воздуха переместится влево. Вместе с поршнем 12 переместится и шток-рейка 2, которая повернет по часовой стрелке валик-шестерню 3 с зубьями, нарезанными по всей длине. Валик-шестерня 3 сцеплен со шток-рейкой 2 и со скалками-рейками 5. При вращении валика-шестерни 3 в указанном направлении скалки-рейки 5 опустятся вниз. Вместе с ними опустится вниз крышка 6 с прижимом 7 и закрепит деталь. При сверлении отверстия в детали направляющей для сверления является сменная кондукторная втулка 16, которая установлена в основной втулке 15 и закреплена винтом 17. Для освобождения обрабатываемой детали воздух подводят к отверстию Ж в крышке 10. Поршень 12 переместится вправо, скалки-рейки 5 поднимутся и прижим 7 освободит деталь. Поршень 12 уплотнен в цилиндре корпуса 1 тремя чугунными поршневыми кольцами 11, а шток-рейка 2 в корпусе 1 — резиновой манжетой 22.
Кондуктор пневматический И26.12.00.00 СБ Кондуктор пневматический И26.12.00.00 спецификация Кондуктор пневматический И26.12.00.00 3d модель Кондуктор пневматический И26.12.00.00 чертежи Корпус И00.12.00.01 Шток рейка И00.12.00.02 Валик-шестерня И00.12.00.03 Крышка И00.12.00.04 Скалка-рейка И00.12.00.05 Крышка И00.12.00.06 Прижим И00.12.00.07 Подушка И00.12.00.08 Прокладка И00.12.00.09 Крышка И00.12.00.10 Кольцо поршневое И00.12.00.11 Поршень И00.12.00.12 Гайка И00.12.00.13 Кольцо И00.12.00.14 Втулка основная И00.12.00.15
Кондуктор пневматический И26.12.00.00 СКАЧАТЬ
|
| |
|
|
|
| Copyright MyCorp © 2026 |
uCoz |
| |