|
 |
Среда, 04.03.2026, 06:31 |
| СТУДВОРКПРО100 | 

 |
| Приветствую Вас Гость | RSS |
|
|
Цилиндр прижима фрезерной головки И27.13.00.00 ЧЕРТЕЖ
| |
| lepris | Дата: Пятница, 14.03.2025, 08:03 | Сообщение # 1 |
 Генералиссимус
Группа: Администраторы
Сообщений: 3577
Статус: Offline
| Цилиндр прижима фрезерной головки И27.13.00.00 ЧЕРТЕЖ
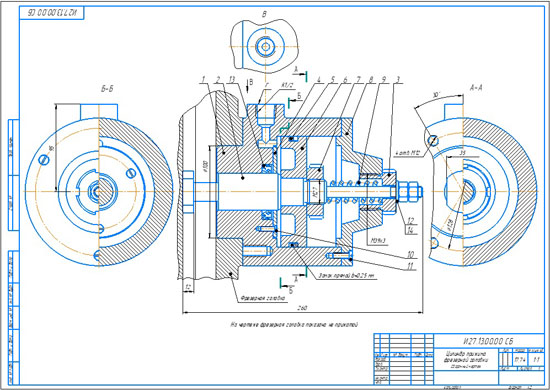
 Для быстрого закрепления фрезерной головки применяют специальные пневматические зажимные механизмы, один из которых показан на чертеже. К отверстию Г в цилиндре 1 подводят сжатый воздух под давлением. Поршень 6 под давлением воздуха переместится вправо. Вместе с поршнем вправо переместится шток 2, головка которого находится в Т-образном пазу станины станка. Головка штока 2 подойдет к правой стороне паза и прижмет фрезерную головку к станине станка. Для освобождения головки воздух, находящийся в цилиндре, выпускают в атмосферу. Пружина 9 отжимает шток 2 влево, и фрезерная головка освобождается. Уплотнение поршня 6 в цилиндре осуществляется двумя чугунными поршневыми кольцами 5. Шток 2 в цилиндре 1 уплотняется резиновой манжетой 13.
Цилиндр прижима фрезерной головки И27.13.00.00 СБ Цилиндр прижима фрезерной головки И27.13.00.00 спецификация Цилиндр прижима фрезерной головки И27.13.00.00 3d сборка Цилиндр прижима фрезерной головки И27.13.00.00 чертежи Цилиндр И00.13.00.01 Шток И00.13.00.02 Гайка И00.13.00.03 Кольцо И00.13.00.04 Кольцо поршневое И00.13.00.05 Поршень И00.13.00.06 Гайка И00.13.00.07 Крышка И00.13.00.08 Пружина И00.13.00.09
Цилиндр прижима фрезерной головки И27.13.00.00 СКАЧАТЬ
|
| |
|
|
|
| Copyright MyCorp © 2026 |
uCoz |
| |