|
 |
Вторник, 03.03.2026, 22:13 |
| СТУДВОРКПРО100 | 

 |
| Приветствую Вас Гость | RSS |
|
|
Разрез. Задание 66
| |
| lepris | Дата: Суббота, 06.05.2023, 19:49 | Сообщение # 1 |
 Генералиссимус
Группа: Администраторы
Сообщений: 3577
Статус: Offline
| Корпус Вариант 1 Задание 66
 По приведенным изображениям детали построить вид сверху и выполнить необходимые разрезы.
Корпус Вариант 1 Задание 66 СКАЧАТЬ
Корпус. Вариант 1 t-flex
|
| |
|
|
| lepris | Дата: Суббота, 06.05.2023, 19:51 | Сообщение # 2 |
 Генералиссимус
Группа: Администраторы
Сообщений: 3577
Статус: Offline
| Опора Вариант 2 Задание 66
 По приведенным изображениям детали построить вид сверху и выполнить необходимые разрезы.
Опора Вариант 2 Задание 66 СКАЧАТЬ
Опора. Вариант 2 t-flex
|
| |
|
|
| lepris | Дата: Суббота, 06.05.2023, 19:52 | Сообщение # 3 |
 Генералиссимус
Группа: Администраторы
Сообщений: 3577
Статус: Offline
| Плита Вариант 3 Задание 66
 По приведенным изображениям детали построить вид слева и выполнить необходимые разрезы.
Плита Вариант 3 Задание 66 СКАЧАТЬ
Плита. Вариант 3 t-flex
|
| |
|
|
| lepris | Дата: Суббота, 06.05.2023, 19:54 | Сообщение # 4 |
 Генералиссимус
Группа: Администраторы
Сообщений: 3577
Статус: Offline
| Крышка Вариант 4 Задание 66
 По приведенным изображениям детали построить вид сверху и выполнить необходимые разрезы.
Крышка Вариант 4 Задание 66 СКАЧАТЬ
Крышка. Вариант 4 t-flex
|
| |
|
|
| lepris | Дата: Суббота, 06.05.2023, 19:55 | Сообщение # 5 |
 Генералиссимус
Группа: Администраторы
Сообщений: 3577
Статус: Offline
| Корпус Вариант 5 Задание 66
 По приведенным изображениям детали построить вид сверху и выполнить необходимые разрезы.
Корпус Вариант 5 Задание 66 СКАЧАТЬ
Корпус. Вариант 5 t-flex
|
| |
|
|
| lepris | Дата: Воскресенье, 07.05.2023, 05:58 | Сообщение # 6 |
 Генералиссимус
Группа: Администраторы
Сообщений: 3577
Статус: Offline
| Стойка Вариант 6 Задание 66
 По приведенным изображениям детали построить вид сверху и выполнить необходимые разрезы.
Стойка Вариант 6 Задание 66 СКАЧАТЬ
Стойка. Вариант 6 t-flex
|
| |
|
|
| lepris | Дата: Воскресенье, 07.05.2023, 05:59 | Сообщение # 7 |
 Генералиссимус
Группа: Администраторы
Сообщений: 3577
Статус: Offline
| Стойка Вариант 7 Задание 66
 По приведенным изображениям детали построить вид сверху и выполнить необходимые разрезы.
Стойка Вариант 7 Задание 66 СКАЧАТЬ
Стойка. Вариант 7 t-flex
|
| |
|
|
| lepris | Дата: Воскресенье, 07.05.2023, 06:01 | Сообщение # 8 |
 Генералиссимус
Группа: Администраторы
Сообщений: 3577
Статус: Offline
| Корпус Вариант 8 Задание 66
 По приведенным изображениям детали построить вид сверху и выполнить необходимые разрезы.
Корпус Вариант 8 Задание 66 СКАЧАТЬ
Корпус. Вариант 8 t-flex
|
| |
|
|
| lepris | Дата: Воскресенье, 07.05.2023, 06:02 | Сообщение # 9 |
 Генералиссимус
Группа: Администраторы
Сообщений: 3577
Статус: Offline
| Корпус Вариант 9 Задание 66
 По приведенным изображениям детали построить вид сверху и выполнить необходимые разрезы.
Корпус Вариант 9 Задание 66 СКАЧАТЬ
Корпус. Вариант 9 t-flex
|
| |
|
|
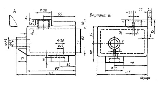
| lepris | Дата: Воскресенье, 07.05.2023, 06:03 | Сообщение # 10 |
 Генералиссимус
Группа: Администраторы
Сообщений: 3577
Статус: Offline
| Корпус Вариант 10 Задание 66
 По приведенным изображениям детали построить вид сверху и выполнить необходимые разрезы.
Корпус Вариант 10 Задание 66 СКАЧАТЬ
Корпус. Вариант 10 t-flex
|
| |
|
|
| lepris | Дата: Воскресенье, 07.05.2023, 06:44 | Сообщение # 11 |
 Генералиссимус
Группа: Администраторы
Сообщений: 3577
Статус: Offline
| Вилка Вариант 11 Задание 66
 По приведенным изображениям детали построить вид сверху и выполнить необходимые разрезы.
Вилка Вариант 11 Задание 66 СКАЧАТЬ
Вилка. Вариант 11 t-flex
|
| |
|
|
| lepris | Дата: Воскресенье, 07.05.2023, 06:45 | Сообщение # 12 |
 Генералиссимус
Группа: Администраторы
Сообщений: 3577
Статус: Offline
| Стойка Вариант 12 Задание 66
 По приведенным изображениям детали построить вид сверху и выполнить необходимые разрезы.
Стойка Вариант 12 Задание 66 СКАЧАТЬ
Стойка. Вариант 12 t-flex
|
| |
|
|
| lepris | Дата: Воскресенье, 07.05.2023, 06:47 | Сообщение # 13 |
 Генералиссимус
Группа: Администраторы
Сообщений: 3577
Статус: Offline
| Крышка Вариант 13 Задание 66
 По приведенным изображениям детали построить вид сверху и выполнить необходимые разрезы.
Крышка Вариант 13 Задание 66 СКАЧАТЬ
|
| |
|
|
| lepris | Дата: Воскресенье, 07.05.2023, 06:49 | Сообщение # 14 |
 Генералиссимус
Группа: Администраторы
Сообщений: 3577
Статус: Offline
| Корпус Вариант 14 Задание 66
 По приведенным изображениям детали построить вид сверху и выполнить необходимые разрезы.
Корпус Вариант 14 Задание 66 СКАЧАТЬ
|
| |
|
|
| lepris | Дата: Воскресенье, 07.05.2023, 06:50 | Сообщение # 15 |
 Генералиссимус
Группа: Администраторы
Сообщений: 3577
Статус: Offline
| Стойка Вариант 15 Задание 66
 По приведенным изображениям детали построить вид сверху и выполнить необходимые разрезы.
Стойка Вариант 15 Задание 66 СКАЧАТЬ
|
| |
|
|
|
| Copyright MyCorp © 2026 |
uCoz |
| |