|
 |
Вторник, 03.03.2026, 10:26 |
| СТУДВОРКПРО100 | 

 |
| Приветствую Вас Гость | RSS |
|
|
Переходник 01.04.00.00 ЧЕРТЕЖ
| |
| lepris | Дата: Пятница, 06.12.2024, 15:17 | Сообщение # 1 |
 Генералиссимус
Группа: Администраторы
Сообщений: 3577
Статус: Offline
| Переходник 01.04.00.00 ЧЕРТЕЖ
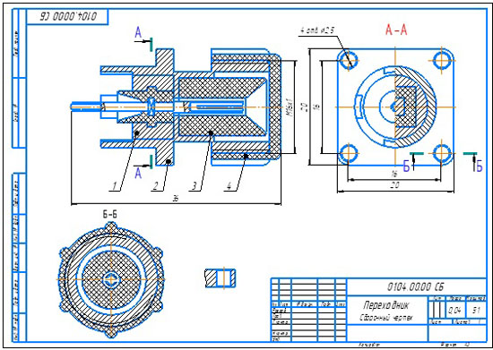
 Переходник применяется в различной радиотехнической аппаратуре для быстрого включения и выключения штепсиля. Он состоит из корпуса 2, вставки 1, изолятора 3 и крышки 4. Вставка 1 имеет две металлические детали снаружи втклку и внутри гнездо, которые соединены неразъемно отвердевшей пластмассой способом опрессовки. Втулка и гнездо изготовлены из латуни Л63. Для включения штепсиля нужно отвернуть крышку 4 и в гнездо втавить штепсель. Гнездо имеет две прорези сжимая которые, обеспечивают хороший контак гнезда со штепселем. К левому концу гнезда припаивают провод, идущий от источника питания. Переходник крепят на панели прибора четырьмя винтами М2.
Переходник 01.04.00.00 сб Переходник 01.04.00.00 спецификация Переходник 01.04.00.00 3d сборка Переходник 01.04.00.00 чертежи Вставка 01.04.01.00 Изолятор 01.04.01.01 Втулка 01.04.01.02 Гнездо 01.04.01.03 Корпус 01.04.00.02 Изолятор 01.04.00.03 Крышка 01.04.00.04
Переходник 01.04.00.00 СКАЧАТЬ
|
| |
|
|
|
| Copyright MyCorp © 2026 |
uCoz |
| |