|
 |
Вторник, 03.03.2026, 10:45 |
| СТУДВОРКПРО100 | 

 |
| Приветствую Вас Гость | RSS |
|
|
Приспособление для калибровки антенного ввода 01.07.00.00 СБ
| |
| lepris | Дата: Пятница, 06.12.2024, 17:48 | Сообщение # 1 |
 Генералиссимус
Группа: Администраторы
Сообщений: 3577
Статус: Offline
| Приспособление для калибровки антенного ввода 01.07.00.00 ЧЕРТЕЖ
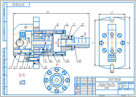
 Калибровка антенного ввода радиоприемника "Океан-205" производится при помощи пневматического приспособления. Это устройство работает следующим образом. Через штуцер 13 от распредилительного клапана в цилиндр 9 подается сжатый воздух под давлением в 0,4 МПа, блогадаря чему поршень 8 с толкателем 6 передвигают по направляющим колонкам 2 прижим 4, который обжимает калибруюмую деталь. При закрытии крана, подающего сжатый воздух, пружины 3 и 7 возвращают поршень и прижим в первоночальное положение. проникший в цилиндр сжатый воздух выходит через свободные отверстия в основании 5.
Приспособление для калибровки антенного ввода 01.07.00.00 СБ Приспособление для калибровки антенного ввода 01.07.00.00 спецификация Приспособление для калибровки антенного ввода 01.07.00.00 3d сборка Приспособление для калибровки антенного ввода 01.07.00.00 чертежи 01.07.00.01 Скоба 01.07.00.02 Колонка 01.07.00.03 Пружина 01.07.00.04 Прижим 01.07.00.05 Основание 01.07.00.06 Толкатель 01.07.00.07 Пружина 01.07.00.08 Поршень 01.07.00.09 Цилиндрэ 01.07.00.10 Прокладка 01.07.00.11 Крышка 01.07.00.12 Прокладка 01.07.00.13 Штуцер
Приспособление для калибровки антенного ввода 01.07.00.00 СКАЧАТЬ
|
| |
|
|
|
| Copyright MyCorp © 2026 |
uCoz |
| |