|
 |
Вторник, 03.03.2026, 18:21 |
| СТУДВОРКПРО100 | 

 |
| Приветствую Вас Гость | RSS |
|
|
Регулятор центробежный 01.09.00.00 ЧЕРТЕЖ
| |
| lepris | Дата: Суббота, 07.12.2024, 09:07 | Сообщение # 1 |
 Генералиссимус
Группа: Администраторы
Сообщений: 3577
Статус: Offline
| Регулятор центробежный 01.09.00.00 ЧЕРТЕЖ
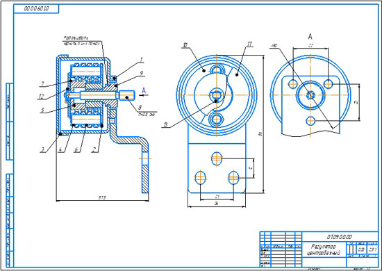
 Регулятор является сборочной единицей перфоратора и контрольника в устройстве подготовки данных на карте электронно-вычислительных машин и служит для регулировки плавного хода каретки указанных устройств. Регулятор состоит из корпуса 1, крышки 3 валика-шестерни 8, втулки 9, основания 2, на осях которого свободно посажены колодки 11 и кольца 4 и 6, барабана 5, пружины 7 и др. Основание 2 свободно вращается на втулки 9. Основание состоит из двух осей и фланца, выполненных из стали марки 20. Корпус 1 состоит из чашки и кронштейна, выполненных из стали марки СТ3 и соединенных заклепками 3х8 (ГОСТ 10299-80). Движение передается от рейки каретки на валик-шестерню 8, который вращает барабан 5 вместе с пружиной 7. Пружина, затягиваясь, вращает основание 2 и колодки 11. Если скорость каретки увеличивается, то колодки под действием центробежной силы отклоняются к стенке чашки корпуса и тормозят всю передачу. С уменьшением скорости вращения валика сила трения уменьшается или исчезает.
Регулятор центробежный 01.09.00.00 сб Регулятор центробежный 01.09.00.00 спецификация Регулятор центробежный 01.09.00.00 3d сборка Регулятор центробежный 01.09.00.00 чертежи Корпус 01.09.01.00 Основание 01.09.02.00 Крышка 01.09.00.03 Кольцо 01.09.00.04 Барабан 01.09.00.05 Кольцо 01.09.00.06 Пружина 01.09.00.07 Валик-шестерня 01.09.00.08 Втулка 01.09.00.09 Шайба специальная 01.09.00.10 Колодка 01.09.00.11
Регулятор центробежный 01.09.00.00 СКАЧАТЬ
|
| |
|
|
|
| Copyright MyCorp © 2026 |
uCoz |
| |