Суббота, 07.03.2026, 01:49
СТУДВОРКПРО100Главная

Регистрация

Вход
Приветствую Вас Гость | RSS
[ Обновленные темы · Новые сообщения · Участники · Правила форума · Поиск · RSS ]
  • Страница 1 из 1
  • 1
Клапан воздушный 01.10.00.00 ЧЕРТЕЖ
leprisДата: Суббота, 07.12.2024, 09:08 | Сообщение # 1
Генералиссимус
Группа: Администраторы
Сообщений: 3577
Репутация: 0
Статус: Offline
Клапан воздушный 01.10.00.00 ЧЕРТЕЖ

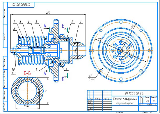
Воздушный клапан применяют в пневматических схемах летательных аппаратов.
Клапан устанавливают внутрь устройства пневмосистемы тарелкой 8 вниз и закрепляют посредством восьми болтов, стягивающих фланец корпуса 2 с фланцем иного устройства. Клапан регулируют на заданное давление гайкой 10. Пружина 7 фиксируется двумя тарелками 5 и 8. При повышении давления открывается клапан 6 в результате чего воздух выходить через затор между седлом 4 и клапаном 6 в корпус 2 а дальше через штуцер 1 в отводящую систему.

Клапан воздушный 01.10.00.00 сб
Клапан воздушный 01.10.00.00 спецификация
Клапан воздушный 01.10.00.00 3d сборка
Клапан воздушный 01.10.00.00 чертежи
Штуцер 01.10.00.01
Корпус 01.10.00.02
Прокладка 01.10.00.03
Седло 01.10.00.04
Тарелка 01.10.00.05
Клапан 01.10.00.06
Пружина 01.10.00.07
Тарелка 01.10.00.08

Клапан воздушный 01.10.00.00 СКАЧАТЬ
 
  • Страница 1 из 1
  • 1
Поиск:

Copyright MyCorp © 2026 uCoz