|
 |
Вторник, 03.03.2026, 10:26 |
| СТУДВОРКПРО100 | 

 |
| Приветствую Вас Гость | RSS |
|
|
Поглотитель 01.11.00.00 ЧЕРТЕЖ
| |
| lepris | Дата: Понедельник, 09.12.2024, 11:29 | Сообщение # 1 |
 Генералиссимус
Группа: Администраторы
Сообщений: 3577
Статус: Offline
| Поглотитель 01.11.00.00 ЧЕРТЕЖ
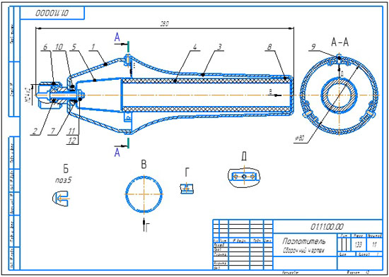
 Поглотитель применяется в электрических цепях и предназначен для отбора мощности высокочастотных импульсов. Устройство имеет две сборочные единицы: крышку 1, к которой заклепками 2х8 ГОСТ 10300-80 прикреплены три пластины, и разъем 2, состоящий из втулки и штыря, соединенных неразъемно пластмассой. Втулка изготовлена из алюминневого сплава Д16, а штырь - из латуни Л63. Крышка и пластины изготовлены из стали марки Ст.3. Снимаемый ток через штырь и левый контакт 5 поступает на сопротивление 4. Правый контакт 8 соединен с кожухом 3. Ток проходя по сопротивлению через правый контакт поступает на массу. Надежность изоляции обеспечивается изоляционным слоем пластмассы разъема 2 и шайбой 7.
Поглотитель 01.11.00.00 сб Поглотитель 01.11.00.00 спецификация Поглотитель 01.11.00.00 3d сборка Поглотитель 01.11.00.00 чертежи Крышка 01.11.01.00 Разъем 01.11.02.00 Кожух 01.11.00.02 Сопротивление 01.11.00.04 Контакт левый 01.11.00.05 Гайка 01.11.00.06 Шайба 01.11.00.07 Контакт правый 01.11.00.08
Поглотитель 01.11.00.00 СКАЧАТЬ
|
| |
|
|
|
| Copyright MyCorp © 2026 |
uCoz |
| |