|
 |
Вторник, 03.03.2026, 20:09 |
| СТУДВОРКПРО100 | 

 |
| Приветствую Вас Гость | RSS |
|
|
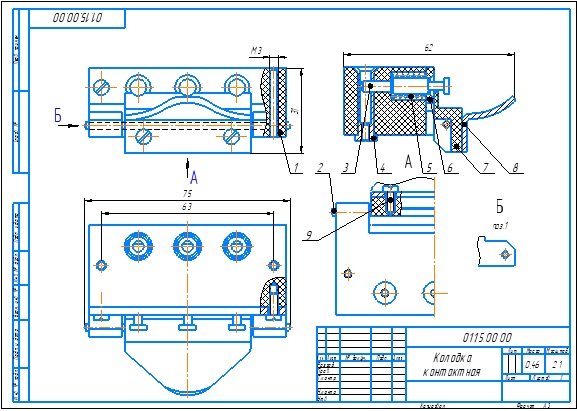
Колодка контактная 01.15.00.00 ЧЕРТЕЖ
| |
| lepris | Дата: Воскресенье, 22.12.2024, 08:57 | Сообщение # 1 |
 Генералиссимус
Группа: Администраторы
Сообщений: 3577
Статус: Offline
| Колодка контактная 01.15.00.00 ЧЕРТЕЖ
 Колодка служит для испытания транзистора. Устройство состоит из колотки 1, в отверстиях которой находится гнезда 4, зажимов 3, пружин 5, рычага 7, ручки 8, оси 2 и крепежных деталей. При повороте ручки 8 вниз рычаг 7 вращается вокруг оси 2 и сжимая пружины 5, вытягивает зажимы 3 из гнезд 4. Выводы транзистора вставляются в гнезда. Если ручку отпустить то пружины прижимают зажимы к выводам, создавая надежный контакт. В нижней части каждого гнезда 4 есть резьба для крепления винтами проводов измерителя. Колодка крепится винтами к панели измерителя. Колодка контактная 01.15.00.00 сб Колодка контактная 01.15.00.00 спецификация Колодка контактная 01.15.00.00 3d сборка Колодка контактная 01.15.00.00 чертежи Колодка 01.15.00.01 Ось 01.15.00.02 Зажим 01.15.00.03 Гнездо 01.15.00.04 Пружина 01.15.00.05 Накладка 01.15.00.06 Рычаг 01.15.00.07 Ручка 01.15.00.08
Колодка контактная 01.15.00.00 СКАЧАТЬ
|
| |
|
|
|
| Copyright MyCorp © 2026 |
uCoz |
| |