Вторник, 03.03.2026, 10:26
СТУДВОРКПРО100Главная

Регистрация

Вход
Приветствую Вас Гость | RSS
[ Обновленные темы · Новые сообщения · Участники · Правила форума · Поиск · RSS ]
  • Страница 1 из 1
  • 1
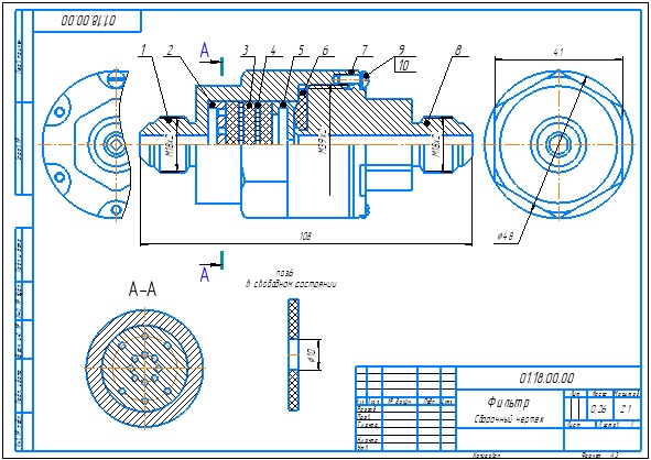
Фильтр 01.18.00.00 ЧЕРТЕЖ
leprisДата: Воскресенье, 22.12.2024, 09:03 | Сообщение # 1
Генералиссимус
Группа: Администраторы
Сообщений: 3577
Репутация: 0
Статус: Offline
Фильтр 01.18.00.00 ЧЕРТЕЖ

Фильтр устанавливают в воздушных системах летательных аппаратов для очистки воздуха от взвешенных частиц.
Воздух поступает через отверстие в крышке 8 и проходит через три слоя войлочных прокладок 3. Медные сетки 4 предотвращают расслоение войлочных прокладок под действием воздушного потока. Через выходные отверстия в корпусе воздух поступает к потребителю.

Фильтр 01.18.00.00 сб
Фильтр 01.18.00.00 спецификация
Фильтр 01.18.00.00 3d сборка
Фильтр 01.18.00.00 чертежи
Корпус 01.18.00.01
Решетка 01.18.00.02
Прокладка 01.18.00.03
Сетка 01.18.00.04
Тарелка 01.18.00.05
Прокладка 01.18.00.06
Прокладка 01.18.00.07
Крышка 01.18.00.08

Фильтр 01.18.00.00 СКАЧАТЬ
 
  • Страница 1 из 1
  • 1
Поиск:

Copyright MyCorp © 2026 uCoz