|
 |
Вторник, 02.12.2025, 23:35 |
| СТУДВОРКПРО100 | 

 |
| Приветствую Вас Гость | RSS |
|
|
Тубус нижнего объектива 01.21.00.00 ЧЕРТЕЖ
| |
| lepris | Дата: Среда, 25.12.2024, 17:13 | Сообщение # 1 |
 Генералиссимус
Группа: Администраторы
Сообщений: 3557
Статус: Offline
| Тубус нижнего объектива 01.21.00.00 ЧЕРТЕЖ
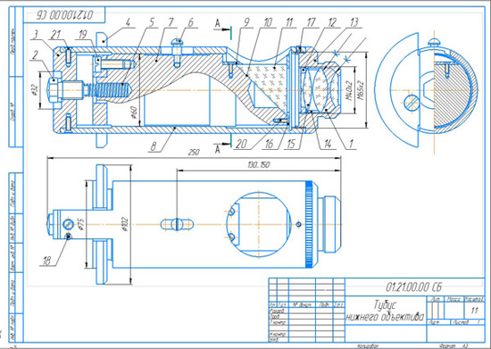
 Тубус служит для преломления световых лучей, а также для котировки и наводки прибора на резкость. Принцип действия тубуса основан на прохождении лучей через поворотную прямую треугольную призму 11 и фокусный окуляр (линза 15 и склейка 1) Линзы склейки соединены специальным клеем. Прибор наводит на резкость перемещением стержня 7 в трубке 8 тубуса. Для этого ослабляют винт 18, который фиксирует винт 2, и с помощью винта 2 и пружины 5 передвигают стержень и жестко связанную с ним призму 11 вдоль оси тубуса. С основной частью прибора тубус соединяют при помощи фланца 4. Тубус нижнего объектива 01.21.00.00 сб Тубус нижнего объектива 01.21.00.00 спецификация Тубус нижнего объектива 01.21.00.00 3d модель Тубус нижнего объектива 01.21.00.00 чертежи Склейка 01.21.01.00 Винт 01.21.00.02 Колодка 01.21.00.03 Фланец 01.21.00.04 Пружина 01.21.00.05 Винт 01.21.00.06 Стержень 01.21.00.07 Трубка 01.21.00.08 Планка 01.21.00.09 Призма 01.21.00.11 Кольцо резьбовое 01.21.00.12 Оправа 01.21.00.13 Линза 01.21.00.15 Кольцо 01.21.00.16
Тубус нижнего объектива 01.21.00.00 СКАЧАТЬ
|
| |
|
|
|
| Copyright MyCorp © 2025 |
uCoz |
| |