|
 |
Вторник, 03.03.2026, 22:12 |
| СТУДВОРКПРО100 | 

 |
| Приветствую Вас Гость | RSS |
|
|
Катушка индуктивности 01.22.00.00 ЧЕРТЕЖ
| |
| lepris | Дата: Среда, 25.12.2024, 17:15 | Сообщение # 1 |
 Генералиссимус
Группа: Администраторы
Сообщений: 3577
Статус: Offline
| Катушка индуктивности 01.22.00.00 ЧЕРТЕЖ
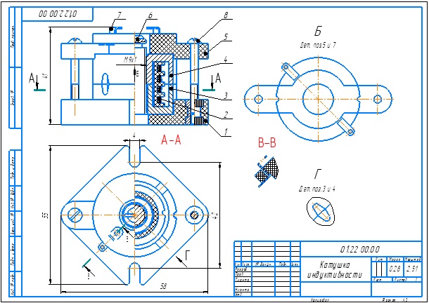
 Катушка служит в качестве элемента колебательного контура, задачей которого является фильтрация радиосигналов, совпадающих по частоте с резонансной частатой, образованной индуктивностью и емкостью. Применяется катушка в радиоприемниках, радеопередающих и других устройствах, производящих селекцию радиосигналов по частоте. Устройство катушки простое. Основание 1 является армированным пластмассовым изделием. Арматура в виде резьбовых втулок выполнена из латуни марки Л63. Катушка 2 состоит из пластмассового каркаса и провода. При перемещении сердечника 6 вдоль оси катушки 2 изменяется индуктивное сопротивление, отчего в контуре изменяется частота колебаний. Последовательность сборки катушки Основание 1 изготавливают в пресс-форме. Катушку 2 вставляют в нижний броневой сердечник 3, накрывают верхним броневым сердечником 4 и вкладывают в гнездо основания 1. Затем верхний броневой сердечник накрывают крышкой 5 и крепят винтами 8. Подстрочный сердечник 6 завинчивается в броневой сердечник 4. Катушка индуктивности 01.22.00.00 сб Катушка индуктивности 01.22.00.00 спецификация Катушка индуктивности 01.22.00.00 3d модель Катушка индуктивности 01.22.00.00 чертежи Основание 01.22.01.00 Катушка 01.22.02.00 Сердечник броневой 01.22.00.03 Сердечник броневой 01.22.00.04 Крышка 01.22.00.05 Сердечник 01.22.00.06 Лепесток 01.22.00.07
Катушка индуктивности 01.22.00.00 СКАЧАТЬ
|
| |
|
|
|
| Copyright MyCorp © 2026 |
uCoz |
| |