|
 |
Среда, 03.12.2025, 01:45 |
| СТУДВОРКПРО100 | 

 |
| Приветствую Вас Гость | RSS |
|
|
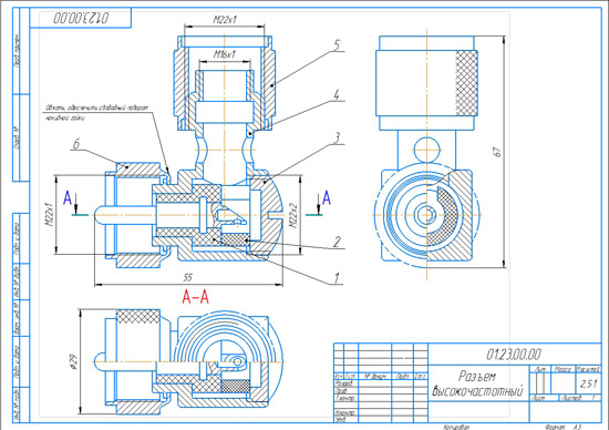
Разъем высокочастотный 01.23.00.00 ЧЕРТЕЖ
| |
| lepris | Дата: Среда, 25.12.2024, 17:16 | Сообщение # 1 |
 Генералиссимус
Группа: Администраторы
Сообщений: 3557
Статус: Offline
| Разъем высокочастотный 01.23.00.00 ЧЕРТЕЖ
 Разъем применяется для подключения кабеля от антенны к потребителю. Устройство состоит из вставки 1, втулки 2, заглушки 3, корпуса 4, гаек 5 и 6. Вставка 1 состоит из пластмассовой части и штыря. материал штыря - Л63 ГОСТ 15527-70. В гнездо штыря припаивают проводник, который изолирован от корпуса 4 втулкой 2. Вторая часть разъема закрепляется посредством накидной гайки 6.
Разъем высокочастотный 01.23.00.00 сб Разъем высокочастотный 01.23.00.00 спецификация Разъем высокочастотный 01.23.00.00 3d модель Разъем высокочастотный 01.23.00.00 ЧЕРТЕЖИ Вставка 01.23.01.00 Втулка 01.23.00.02 Заглушка 01.23.00.03 Корпус 01.23.00.04 Гайка 01.23.00.05 Гайка 01.23.00.06
Разъем высокочастотный 01.23.00.00 СКАЧАТЬ
|
| |
|
|
|
| Copyright MyCorp © 2025 |
uCoz |
| |