|
 |
Вторник, 03.03.2026, 08:50 |
| СТУДВОРКПРО100 | 

 |
| Приветствую Вас Гость | RSS |
|
|
Резонатор 02.42.00.00 ЧЕРТЕЖ
| |
| lepris | Дата: Среда, 25.12.2024, 17:21 | Сообщение # 1 |
 Генералиссимус
Группа: Администраторы
Сообщений: 3577
Статус: Offline
| Резонатор 02.42.00.00 ЧЕРТЕЖ
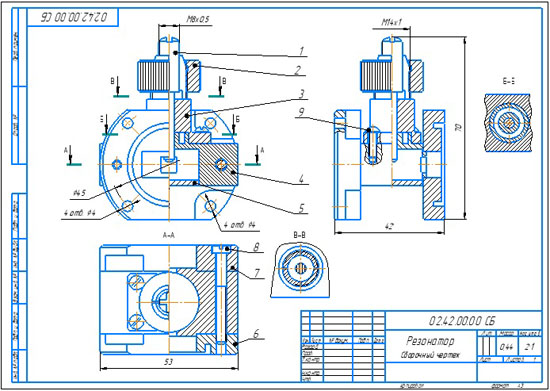
 Резонатор предназначен для работы в установках генерации и усиления СВЧ колебаний. Он состоит из корпуса 4, внутри которого расположена резонаторная камера, крышки 5, цангового держателя 3, фланцев 6 и 7, плунжера 1, гайки 2 и деталей крепления. Изменение объема резонаторной камеры производится осевым перемещением плунжера 1, в результате чего плавно изменяется частота генерации (усиления) СВЧ колебаний. Стабильность установленной частоты обеспечивается фиксацией плунжера 1 зажимной гайкой 2.
Резонатор 02.42.00.00 Сб Резонатор 02.42.00.00 спецификация Резонатор 02.42.00.00 3d сборка Резонатор 02.42.00.00 чертежи Плунжер 02.42.00.01 Гайка 02.42.00.02 Держатель цанговый 02.42.00.03 Корпус 02.42.00.04 Крышка 02.42.00.05 Фланец 02.42.00.06 Фланец 02.42.00.07
Резонатор 02.42.00.00 СКАЧАТЬ
|
| |
|
|
|
| Copyright MyCorp © 2026 |
uCoz |
| |