|
 |
Вторник, 03.03.2026, 14:36 |
| СТУДВОРКПРО100 | 

 |
| Приветствую Вас Гость | RSS |
|
|
Лампа сигнальная 02.55.00.00 ЧЕРТЕЖ
| |
| lepris | Дата: Вторник, 25.02.2025, 12:21 | Сообщение # 1 |
 Генералиссимус
Группа: Администраторы
Сообщений: 3577
Статус: Offline
| Лампа сигнальная 02.55.00.00 ЧЕРТЕЖ
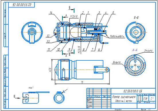
 Сигнальная лампа применяется в различной радиоэлектронной аппаратуре для подачи светового сигнала. Напряжение подводят к верхнему и нижнему выводам. Постоянство контакта лампы с деталью 6 обеспечивается пружиной 8 и штоком 5. Световой сигнал идущий от лампы, проникает через совпадающие треугольные отверстия в деталях 10 и 11. Если повернуть головку 11 против часовой стрелки до положения Закрыто (см. разрез А-А), то треугольные отверстия в деталях 10 и 11 не будут совпадать и свет будет проникать только в соосные отверстия 10 и 11. Пружинное кольцо 13 предотвращает самопроизвольный поворот головки 11.
Лампа сигнальная 02.55.00.00 сб Лампа сигнальная 02.55.00.00 специфиацация Лампа сигнальная 02.55.00.00 3d сборка Лампа сигнальная 02.55.00.00 чертежи Патрон с выводом 02.55.01.00 Корпус 02.55.00.02 Шайба 02.55.00.03 Шайба 02.55.00.04 Шток 02.55.00.05 Вывод нижний 02.55.00.06 Втулка 02.55.00.07 Пружина 02.55.00.08 Наконечник 02.55.00.09 Насадка 02.55.00.10 Головка 02.55.00.11 Линза 02.55.00.12
Лампа сигнальная 02.55.00.00 СКАЧАТЬ
|
| |
|
|
|
| Copyright MyCorp © 2026 |
uCoz |
| |