Вторник, 03.03.2026, 22:12
СТУДВОРКПРО100
Приветствую Вас
Гость
|
RSS
[
Обновленные темы
·
Новые сообщения
·
Участники
·
Правила форума
·
Поиск
·
RSS
]
Страница
1
из
1
1
Форум
»
ИНЖЕНЕРНАЯ ГРАФИКА
»
ДЕТАЛИРОВАНИЕ СБОРОЧНЫХ ЧЕРТЕЖЕЙ БОГОЛЮБОВ 1972
»
Приспособление для фрезерования плоскости разъема вкладышей
(Чертежи)
Приспособление для фрезерования плоскости разъема вкладышей
lepris
Дата: Понедельник, 01.07.2024, 05:03 | Сообщение #
1
Генералиссимус
Группа: Администраторы
Сообщений:
3577
Репутация:
0
Статус:
Offline
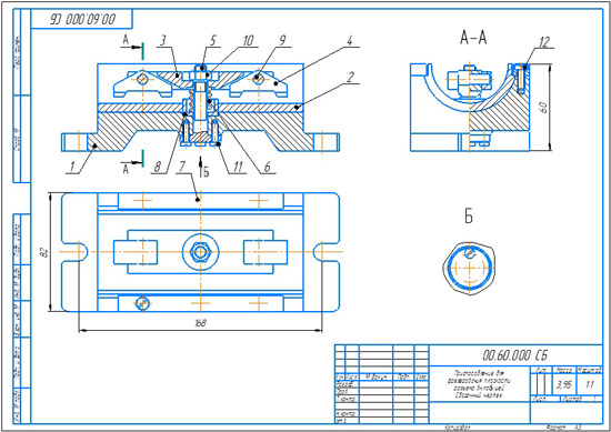
Приспособление для фрезерования плоскости разъема вкладышей 00.60.000 ЧЕРТЕЖ
Приспособление применяется для фрезерования плоскостей разъема одновременно двух вкладышей подшипника. На разрезе А-А вкладыш изображен тонкой линией.
Вкладыш устанавливают на опору поз. 2 по обеим сторонам винта поз. 5. Опору крепят к корпусу поз. 1 двумя пластинами поз. 7 и шестью винтами поз. 12. Обрабатываемые вкладыши закрепляют прихватом поз. 3 и прижимами поз. 4. Головка винта поз. 5 фиксируется винтами поз. 11. Усилие зажима регулируется в специальной гайкой поз. 10.
Приспособление для фрезерования плоскости разъема вкладышей 00.60.000 Сб
Приспособление для фрезерования плоскости разъема вкладышей 00.60.000 спецификация
Приспособление для фрезерования плоскости разъема вкладышей 00.60.000 3d сборка
Приспособление для фрезерования плоскости разъема вкладышей 00.60.000 чертежи
Корпус 00.60.001
Опора 00.60.002
Прихват 00.60.003
Прижим 00.60.004
Винт М8 00.60.005
Пружина 00.60.006
Пластинка 00.60.007
Втулка 00.60.008
Ось 00.60.009
Гайка М8 00.60.010
Приспособление для фрезерования плоскости разъема вкладышей СКАЧАТЬ
Форум
»
ИНЖЕНЕРНАЯ ГРАФИКА
»
ДЕТАЛИРОВАНИЕ СБОРОЧНЫХ ЧЕРТЕЖЕЙ БОГОЛЮБОВ 1972
»
Приспособление для фрезерования плоскости разъема вкладышей
(Чертежи)
Страница
1
из
1
1
Главная страница форума
ИНЖЕНЕРНАЯ ГРАФИКА
Деталирование Боголюбов С К 1986
Деталирование Аксарин П.Е.
Сборник заданий по инженерной графике Миронов Б.Г., Миронова Р.С.
Альбом заданий для выполнения сборочных чертежей Думкасова, Решетов
Альбом заданий для выполнения сборочных чертежей В.В. Рассохина
Индивидуальные задания по курсу черчения Боголюбов
Альбом сборочных чертежей для деталирования и чтения В.А. Леонова
Различные задания не вошедшие в общий раздел ИГ.
Создание трехмерных моделей и конструкторской документации в системе КОМПАС-3D
Альбом чертежей сборочных единиц для чтения и деталирования Осипов
Практикум по чертежам сборочных единиц БНТУ
Инженерная графика Сапельников
СБОРОЧНЫЙ ЧЕРТЕЖ, ДЕТАЛИРОВАНИЕ, ДЕТАЛИРОВКА
Резьбовые соединения, Болтовое соединение, Винтовое соединение
СБОРОЧНЫЕ ЧЕРТЕЖИ БОГОЛЮБОВ 1978
ДЕТАЛИРОВАНИЕ СБОРОЧНЫХ ЧЕРТЕЖЕЙ БОГОЛЮБОВ 1972
КОМПЬЮТЕРНАЯ ГРАФИКА РОЙТМАН
Альбом чертежей приборостроения и электроаппаратуры
ДЕТАЛИРОВАНИЕ МАШИНОСТРОИТЕЛЬНЫХ ЧЕРТЕЖЕЙ (ДМЧ)
Сечения, Разрез, Проекционное черчение
Атлас чертежей общих видов для деталирования. Иванов
Неразъемные соединения
Сварные соединения
Паяные соединения
Клеевые соединения
Инженерная и компьютерная графика. Большаков
Основы оформления конструкторской документации
Электротехнические и радиоэлектронные устройства
Сборочный чертеж. Спецификация
Экономические дисциплины, Предпринимательство, Реклама, МЕНЕДЖМЕНТ, ФИНАНАНСЫ
Готовые тесты, курсовые, дипломные, практические, лабораторные работы.
Правовые дисциплины, Международное право, Юриспруденция
Тесты, практические, лабораторные, контрольные, зачетные работы
Гуманитарные дисциплины, Психология, Русский язык, Культорология
Экзамеционные, контрольные, практические работы, Тесты, Курсовые
ЭЛЕКТРОНИКА, ЭЛЕКТРООБОРУДОВАНИЕ, ЭЛЕКТРОТЕХНИКА, ЭЛЕКТРИЧЕСКИЕ СЕТИ
Тесты, Лабораторные, Практические, курсовые, дипломные работы
ФИЗИКА, МАТИМАТИКА, АЛГЕБРА, ГЕОМЕТРИЯ, МЕТРОЛОГИЯ
Контрольные, курсовые, зачетные и дипломные работы, Тесты
МАШИНОСТРОЕНИЕ
Ремонт, техобслуживание машин и механизмов
Нефтяная, Газовая, Металлургическая и Химическая промышленность
Детали машин и основы конструирования
Железнодорожный транспорт
Пищевая промышленность
Сельскохозяйственные машины и технологии
Промышленное и гражданское строительство, СТРОИТЕЛЬНЫЕ МАШИНЫ И ОБОРУДОВАНИЕ
Дипломные, Курсовые, Практические, экзамеционные работы.
ПРОГРАММИРОВАНИЕ, Python, Сетевое ПО, Сети ЭВМ, Информатика
Контрольные, Зачетные, Практические, Лабораторные работы и тесты
РАЗНОЕ
Все что не вошло в общий раздел
Поиск:
Copyright MyCorp © 2026
uCoz