|
 |
Суббота, 07.03.2026, 05:54 |
| СТУДВОРКПРО100 | 

 |
| Приветствую Вас Гость | RSS |
|
|
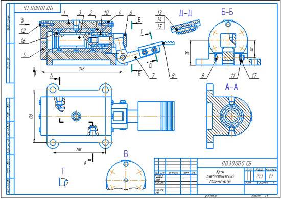
Кран пневматический 00.30.000 ЧЕРТЕЖ
| |
| lepris | Дата: Четверг, 11.07.2024, 13:24 | Сообщение # 1 |
 Генералиссимус
Группа: Администраторы
Сообщений: 3577
Статус: Offline
| Кран пневматический 00.30.000 ЧЕРТЕЖ
 Через пневматический кран сжатый воздух поступает в пневматический цилиндр (на чертеже не показан), поршень которого соединен с приспособлением, предназначенным для зажима обрабатываемой детали на маталлорежущем станке. Кран работает следующим образом в корпусе поз. 1 имеются три отверстия. Через верхнее отверстие поступает сжатый воздух, который под давлением (в зависимости от положения золотника поз. 3) поочередно, то через правое, то через левое отверстие корпуса попадает в полость пневматического цилиндра (на чертеже не показан), заставляя двигаться поршень. Педаль поз. 8 находится в верхнем положении при крайнем левом положении золотника, что обеспечивается действием пружины поз. 10 на торец золотника. Если нажать на педаль поз. 5, золотник займет крайнее правое положение, при этом пружина сжимается. Кран пневматический 00.30.000 сб Кран пневматический 00.30.000 спецификация Кран пневматический 00.30.000 3d сборка Кран пневматический 00.30.000 чертежи Корпус 00.30.001 Плунжер 00.30.002 Золотник 00.30.003 Крышка 00.30.004 Крышка 00.30.005 Тяга 00.30.006 Рычаг 00.30.007 Педаль 00.30.008 Ось 00.30.009 Пружина 00.30.010 Шайба 00.30.011
Кран пневматический 00.30.000 СКАЧАТЬ
|
| |
|
|
|
| Copyright MyCorp © 2026 |
uCoz |
| |