|
 |
Вторник, 03.03.2026, 22:12 |
| СТУДВОРКПРО100 | 

 |
| Приветствую Вас Гость | RSS |
|
|
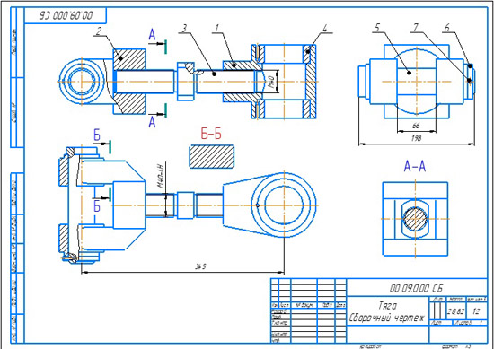
Тяга 00.09.000 ЧЕРТЕЖ
| |
| lepris | Дата: Четверг, 11.07.2024, 13:30 | Сообщение # 1 |
 Генералиссимус
Группа: Администраторы
Сообщений: 3577
Статус: Offline
| Тяга 00.09.000 ЧЕРТЕЖ
 Тяга применяется как промежуточное звено механизмов. Тяга имеет корпус поз. 1 с двумя сменными стальными втулками (вкладышами) поз. 4, которые фиксируются винтами поз. 8. Корпус и вилка поз. 2 соединены винтовой стяжкой поз. 5, имеющей на концах правую и левую резьбы М40. Длину тяги можно регулировать. Для чего проворачивают ключом среднюю часть стяжки. Тяга 00.09.000 Сборочный чертеж Тяга 00.09.000 спецификация Тяга 00.09.000 3d сборка Тяга 00.09.000 чертежи Корпус 00.09.001 Вилка 00.09.002 Стяжка 00.09.003 Вкладыш 00.09.004 Ось 00.09.005 Кольцо 00.09.006
Тяга 00.09.000 СКАЧАТЬ
|
| |
|
|
|
| Copyright MyCorp © 2026 |
uCoz |
| |