|
 |
Вторник, 03.03.2026, 22:12 |
| СТУДВОРКПРО100 | 

 |
| Приветствую Вас Гость | RSS |
|
|
Клапан предохранительный 00.10.000 ЧЕРТЕЖ
| |
| lepris | Дата: Четверг, 11.07.2024, 13:31 | Сообщение # 1 |
 Генералиссимус
Группа: Администраторы
Сообщений: 3577
Статус: Offline
| Клапан предохранительный 00.10.000 ЧЕРТЕЖ
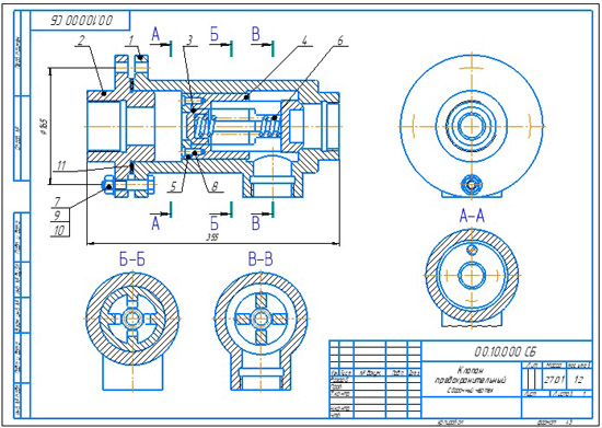
 Настоящий предохранительный клапан является составной частью устройства поворота и возврата плиты формовочной машины. Сжатый воздух давит на левый торец клапана поз. 4, прижимая его правым коническим концом к конусной расточке внутри корпуса поз. 1. В таком положении клапан закрыт. Далее воздух давит на торец стакана поз. 3, заставляя его двигаться вправо и сжимать пружину поз. 6. В результате открывается проход для воздуха, который через окна внутри стенок клапана н нижнее отверстие корпуса поступает в баллон (на чертеже не показан), приводя в движение плиту формовочной машины. При возврате плиты в исходное положение клапан открывается под давлением воздуха, поступающего из баллона по нижнему отверстию корпуса, и выходит в атмосферу через правое отверстие. Стакан при этом перемещается влево до упора в кольцо поз. 5. Клапан предохранительный 00.10.000 сб Клапан предохранительный 00.10.000 спецификация Клапан предохранительный 00.10.000 3d сборка Клапан предохранительный 00.10.000 чертежи Корпус 00.10.001 Крышка 00.10.002 Стакан 00.10.003 Клапан 00.10.004 Кольцо 00.10.005 Пружина 00.10.006
Клапан предохранительный 00.10.000 СКАЧАТЬ
|
| |
|
|
|
| Copyright MyCorp © 2026 |
uCoz |
| |