|
 |
Вторник, 03.03.2026, 14:24 |
| СТУДВОРКПРО100 | 

 |
| Приветствую Вас Гость | RSS |
|
|
Пресс-форма 00.40.000 ЧЕРТЕЖ
| |
| lepris | Дата: Понедельник, 15.07.2024, 06:46 | Сообщение # 1 |
 Генералиссимус
Группа: Администраторы
Сообщений: 3577
Статус: Offline
| Пресс-форма 00.40.000 ЧЕРТЕЖ
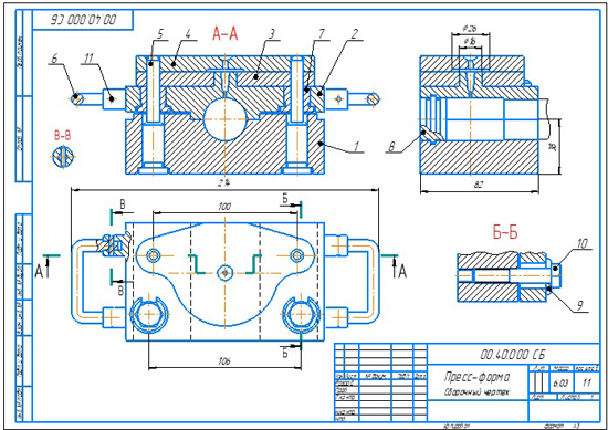
 Пресс-форма, изображенная на чертеже, используется в операции нанесения капронового покрытия на поверхность вала для увеличения его срока службы и защиты от коррозии. Вал (на чертеже показан тонкой линией) устанавливают между корпусом поз. 1 и зажимом поз. 2. Зажим регулируется болтами 10. Жидкий капрон под давлением через отверстия деталей поз. 2 и поз. 4 заполняет зазоры между валом и зажимом и покрывает поверхность вала. Вкладыш поз. 8 служит заглушкой и опорой вала. Пресс-форма 00.40.000 сб Пресс-форма 00.40.000 спецификация Пресс-форма 00.40.000 3d сборка Пресс-форма 00.40.000 чертежи Корпус 00.40.001 Зажим 00.40.002 Плита отрывающая 00.40.003 Плита литниковая 00.40.004 Колонка направляющая 00.40.005 Ручка 00.40.006 Втулка 00.40.007 Вкладыш 00.40.008 Шайба 00.40.009
Пресс-форма 00.40.000 СКАЧАТЬ ЧЕРТЕЖ
|
| |
|
|
|
| Copyright MyCorp © 2026 |
uCoz |
| |