|
 |
Вторник, 03.03.2026, 22:05 |
| СТУДВОРКПРО100 | 

 |
| Приветствую Вас Гость | RSS |
|
|
Устройство натяжное 00.44.000 ЧЕРТЕЖ
| |
| lepris | Дата: Среда, 17.07.2024, 14:36 | Сообщение # 1 |
 Генералиссимус
Группа: Администраторы
Сообщений: 3577
Статус: Offline
| Устройство натяжное 00.44.000 ЧЕРТЕЖ
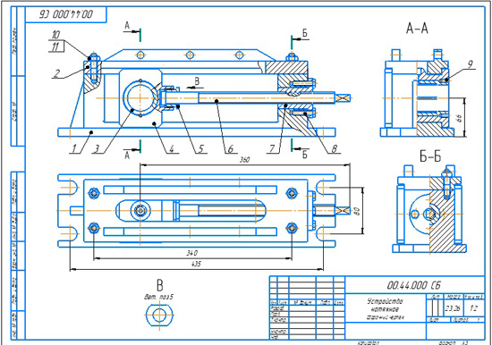
 Натяжное устройство является неотъемлемой частью транспортера, состоящего из бесконечной ленты, к которой могут быть присоединены рабочие органы (скребки, ковши и т. п.), захватывающие перемещаемый груз. Натяжное устройство предупреждает провисание ленты или цепи под нагрузкой. Натяжение ленты осуществляется горизонтальным перемещением ползуна поз. 4 по направляющим корпуса поз. 7. Крышка поз. 2 крепится к корпусу четырьмя шпильками поз. 10. Корпус закрепляется на раме конвейера четырьмя болтами. Через резьбовое отверстие ползуна подается смазка, которая по канавкам распределяется по всей трущейся поверхности вкладыша поз. 3. Винты поз. 9 предохраняют вкладыши от проворачивания. Устройство натяжное 00.44.000 сб Устройство натяжное 00.44.000 спецификация Устройство натяжное 00.44.000 3d сборка Устройство натяжное 00.44.000 чертежи Корпус 00.44.001 Крышка 00.44.002 Вкладыш 00.44.003 Ползун 00.44.004 Втулка 00.44.005 Винт 00.44.006 Фланец 00.44.007
Устройство натяжное 00.44.000 СКАЧАТЬ ЧЕРТЕЖ
|
| |
|
|
|
| Copyright MyCorp © 2026 |
uCoz |
| |