|
 |
Вторник, 03.03.2026, 19:05 |
| СТУДВОРКПРО100 | 

 |
| Приветствую Вас Гость | RSS |
|
|
Прибор для проверки кулачков И61.61.00.00 ЧЕРТЕЖ
| |
| lepris | Дата: Пятница, 19.09.2025, 11:07 | Сообщение # 1 |
 Генералиссимус
Группа: Администраторы
Сообщений: 3577
Статус: Offline
| Прибор для проверки кулачков И61.61.00.00 ЧЕРТЕЖ
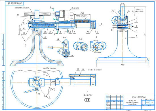
 Прибор предназначен для определения величины перепада радиусов цилиндрических участков (величины подъема) рабочих поверхностей плоских кулачков. Для определения величины перепада R кулачок кладут на шайбу 13 так, чтобы головка микрометра коснулась какого-нибудь цилиндрического участка профиля кулачка (участок М). Микрометр устанавливают на нуль при определенной величине набора калибров. Затем кулачок поворачивают до совмещения микрометра с другим цилиндрическим участком профиля кулачка (участок N). Одновременно из набора калифов удаляют одну шайбу (например, S), соответствующую по толщине приращению. Точную величину приращения определяют по показателю микрометра после подведения его головки к поверхности кулачка. Передвижением скалки 7 относительно корпуса 1 микрометр подводят к кулачку после установки последнего на шайбу 13. Положение скалки 7 в корпусе 1 фиксируется винтом 2, который стягивает гайку 5 и сухарь 4, прижимая их к поверхности скалки 7. Микрометр закрепляют в каретке 8, которая может перемещаться вдоль скалки 7. Пружина 11 постоянно прижимает каретку 8 к набору калибров.
Прибор для проверки кулачков И61.61.00.00 СБ Прибор для проверки кулачков И61.61.00.00 спецификация Прибор для проверки кулачков И61.61.00.00 3d сборка Прибор для проверки кулачков И61.61.00.00 чертежи Корпус И00.61.00.01 Винт И00.61.00.02 Ручка И00.61.00.03 Сухарь И00.61.00.04 Гайка И00.61.00.05 Упор И00.61.00.06 Скалка И00.61.00.07 Каретка И00.61.00.08 Винт-ограничитель И00.61.00.09 Упор И00.61.00.10 Пружина И00.61.00.11 Шпонка И00.61.00.12 Шайба И00.61.00.13 Ось И00.61.00.14 Упор калибров И00.61.00.15 Направляющая И00.61.00.16
Прибор для проверки кулачков СКАЧАТЬ
|
| |
|
|
|
| Copyright MyCorp © 2026 |
uCoz |
| |