|
 |
Вторник, 03.03.2026, 19:05 |
| СТУДВОРКПРО100 | 

 |
| Приветствую Вас Гость | RSS |
|
|
Клиноременный вариатор с раздвижными шкивами И71.91.00.00 ЧЕ
| |
| lepris | Дата: Пятница, 19.09.2025, 11:18 | Сообщение # 1 |
 Генералиссимус
Группа: Администраторы
Сообщений: 3577
Статус: Offline
| Клиноременный вариатор с раздвижными шкивами И71.91.00.00 ЧЕРТЕЖ
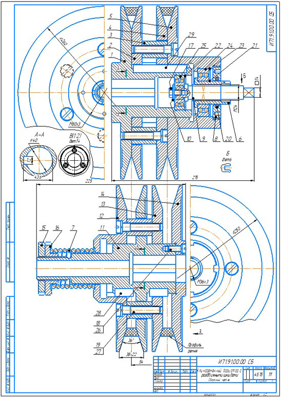
 Вариатор является бесступенчатой передачей, позволяющей передавать крутящий момент от двигателя к машине с плавным изменением скорости вращения. Ведущая ступица 1 ведущего шкива закреплена на вале двигателя, а ведомая ступица 11 ведомого шкива — на вале машины. Изменение передаточного числа вариатора осуществляют изменением расстояния между коническими дисками шкивов. Для увеличения мощности передачи она выполнена двух-ручьевой. Все конические диски ведущего шкива раздвигаются одновременно, так как детали 1, 4 и 2, 5 попарно жестко связаны винтами 19. При раздвижении деталей и 2 и 4, 5 клиновой ремень опускается, радиус его контакта с коническими дисками уменьшается. Одновременно детали 11, 12 и 13, 14 сдвигаются под действием пружин 7. Радиус контакта ремня с коническими дисками ведомого шкива увеличивается, чем и достигается изменение передаточного числа. В данной конструкции вариатора передаточное число можно изменять в небольших пределах от 0,8 до 1,25. Диски ведущего шкива раздвигаются и сближаются специальным устройством, состоящем из ходового винта 9 и ходовой гайки 6. В ведущей ступице 1 установлено наружное кольцо сферического шарикоподшипника 25. Внутреннее кольцо этого подшипника закреплено на ходовом винте 9. Аналогично соединение ходовой гайки 6 (при помощи сферического шарикоподшипника 24) с поводковым диском 5. Для того чтобы при повороте ключом ходового винта 9 ходовая гайка 6 не вращалась, ее также нужно захватить ключом. При этом гайка перемещается вдоль оси, что и вызывает изменение расстояния между коническими дисками ведущего шкива. Передаточное число можно изменять на ходу двигателя, так как ходовая гайка 6 и ходовой винт 9 не связаны жёстко с вращающимися деталями ведущего шкива
Клиноременный вариатор с раздвижными шкивами И71.91.00.00 СБ Клиноременный вариатор с раздвижными шкивами И71.91.00.00 спецификация Клиноременный вариатор с раздвижными шкивами И71.91.00.00 3d сборка Клиноременный вариатор с раздвижными шкивами И71.91.00.00 чертежи Ступица ведущая И00.91.00.01 Диск левый И00.91.00.02 Втулка распорная И00.91.00.03 Диск правый И00.91.00.04 Диск поводковый И00.91.00.05 Гайка ходовая И00.91.00.06 Пружина И00.91.00.07 Гайка сальника И00.91.00.08 Винт ходовой И00.91.00.09 Шайба И00.91.00.10 Ступица ведомая И00.91.00.11 Диск упорный И00.91.00.12 Диск подвижный И00.91.00.13 Диск неподвижный И00.91.00.14 Контргайка И00.91.00.15 Гайка пружины И00.91.00.16
Клиноременный вариатор с раздвижными шкивами СКАЧАТЬ
|
| |
|
|
|
| Copyright MyCorp © 2026 |
uCoz |
| |